As a leading Single-cylinder Pneumatic Normally Open Linear Rail Clamp manufacturer and supplier,LMT delivers engineered clamping solutions that directly lower your costs.This linear guide clamp utilizes a unique wedge block amplification principle and pneumatic power to generate immense holding force,ensuring absolute linear motion safety.Designed for seamless integration,its compact structure allows for direct mounting to your worktable without any dimensional modifications.Choose LMT to not only secure your processes but also to reduce your costs by 30% to 60%,all backed by large inventory for rapid delivery.

Compact structure and strong retention force.
Precise positioning,suitable for clamping linear rolling guides.
Easy to install,connected with the table directly and do not need to change the size of the table.
Depend on the principle of the wedge block expanding force,clamping is achieved by using air pressure.
| Control mode | Control type | Product features | Minimum operating pressure |
| Air pressure | Normally open | Single-cylinder | 0.2MPa |
| Maximum working pressure | Response time | Service temperature | Use guide rail size |
| 0.8MPa | ≤0.06S | 0℃~70℃ | 9、20、25 |
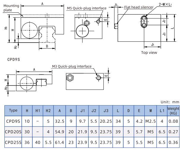
Model Rated holding force(N) Air consumption (ℓ/cycle(ANR))
CPD9S 130N 0.007
CPD20S 700N 0.014
CPD25S 850N 0.015
Note: The holding force in the table corresponds to the air pressure of 0.6MPa; the holding force is proportional to the pressure within the range of use pressure


